Mike McBike @ Home / Arcade Reps Teil 8 / Pole Position


01.02.2026


{Pole Position} Hier hab ich mal wieder eine... Auslaufende Akkus, tonnenweise Customs, Kuchenblech-große Platinen und CPUs, die sonst niemand nimmt - was will man mehr.

Pole Position

Zumindest hat schon jemand den Akku entfernt und grob geputzt! Allerdings ist überall irgendwas Klebriges drauf...

Pole Position

Der typische PP-Brandschaden - Das Spiel hat einfach zu viel Power für die lümmeligen Steckverbinder! Die separaten Stromversorgungskabel sind hier mandatorisch!

Pole Position

Ein sehr altes Spiel mit sehr guter Grafik (für die Zeit).

Pole Position

Zwischen den Platinen befindet sich ein großzügig dimensioniertes Schaumstoffpad als Abstandshalter.

Pole Position

Den Schaumstoff kann man mittlerweile wegpusten - hier muss was Besseres her.

Pole Position

Als erstes muss ich mal die großflächigen Verätzungen besser reinigen.

Pole Position

IC 6A sieht nicht gut aus, funktioniert aber noch. Erstmal nur sauberkratzen...

Pole Position

Besser geht es nicht, zumindest sind jetzt keine ätzenden Rückstände unter dem Lötstoplack mehr vorhanden.

Pole Position

Ein paar Kabel und KFZ-Steckverbinder reichen für einen rudimentären Anschluss.

Pole Position

Toll. Immerhin haben wir ein Videobild. RESET# liegt auf 0,5V... das sollte so nicht sein.

Pole Position

Um die CPUs zum Laufen zu zwingen, kann man mal hart +5V am linken Stecker einspeisen.

Pole Position

Na, geht doch! Die CPUs laufen. Bis zum Speichertest. RAM 1 ist ein 2114 auf der Videoplatine: IC 7F.

Pole Position

Tauschen und sockeln - mit guter Lötausrüstung geht das richtig fix!

Pole Position

Wieder ein stehendes Bild ohne Grafik - aber das liegt am DIP-Schalter, der auf Freispiel gestellt ist! Da springt das Spiel direkt in die Start-Aufforderung.

Pole Position

Drei DIP-Schalter später:

Pole Position

Jetzt crasht nur noch der Wagen...

Pole Position

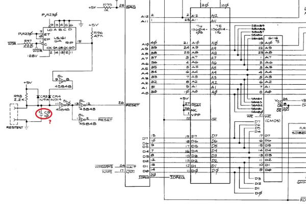
Das ist der Bereich, der für den RESET zuständig ist. Denkbar simpel, ein Elektrolytkondensator lädt sich über einen Widerstand auf 5V auf und wird ggf. vom Watchdog Timer überstimmt. Wenn da keine 5V an der Klemme sind, dann könnte es am Elko liegen.

Pole Position

Da werde ich wohl mal den Übeltäter ersetzen.


04.02.2026


{Dauerreset - warum?} Der Elko war es nicht - ebensowenig der Hex-Schmitt-Trigger-Inverter 4584 aka 40106... Aber das merkt man erst nach dem Tausch.

Pole Position

Wer ist noch in der Open-Collector-Sammlung von Reset-Signalen beteiligt? Richtig! Der Watchdog-Timer. Und der sitzt direkt im Akku-Schmodder.

Pole Position

Der 74LS161 war quasi richtig angefressen und hat den Dienst quittiert. Dauer-Reset! Jetzt hab ich wenigstens einen Grund, diese Ecke mal richtig zu reinigen.

Pole Position

Und mit einem neuen Baustein läuft auch der Watchdog wieder ganz sauber und der Reset macht, was er soll: nach wenigen Sekunden die CPUs freigeben!

Pole Position

Hier noch mal die Details auf dem Schaltplan: nicht immer ist alles, wie es zu sein scheint!

Pole Position

Jetzt noch passende Kabel adaptieren und schon ist der Patient vollständig genesen!


24.02.2026


{Steckerreparatur} Der Vollständigkeit halber: Der Besitzer hat sich inständig eine Reparatur des Platinensteckers gewünscht. EMV-Kupferklebeband und Sekundenkleber sind hier sie wichtigen Utensilien. Aber Achtung: mit Sekundenkleber geklebte Leiterbahnen haben nicht annähern die Haftkraft, wir originale Kupferbahnen. Hier steckt man besser nur noch einmal mit sehr viel Gefühl!

Pole Position

Pole Position

Pole Position

Pole Position

Pole Position


13.04.2026


{Und wieder da...} In weiser Voraussicht habe ich mir mal einen vernünftigen Steckeradapter gebaut, das minimiert Fehlverdrahtungen! Und siehe da: die PP landete nach mehreren Stunden Laufzeit wieder bei mir. Das Spiel startete nicht mehr.

Pole Position

Noch nicht mal ein lesbarar RAM-Fehler... das sieht aus, als ob die CPU garnicht läuft.

Pole Position

Auf gut Glück tausche ich gleich mal den Z80 - der ist ja gottseidank gesockelt.

Pole Position

Das war ja einfach...

Pole Position

Ich bin gespannt, wie lange die Reparatur jetzt hält.


© 2013 - 2026 · W. Robel e-Mail senden