Mike McBike @ Home / Homecomputer / xxx


09.02.2025


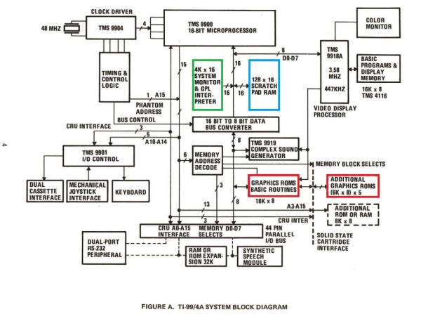
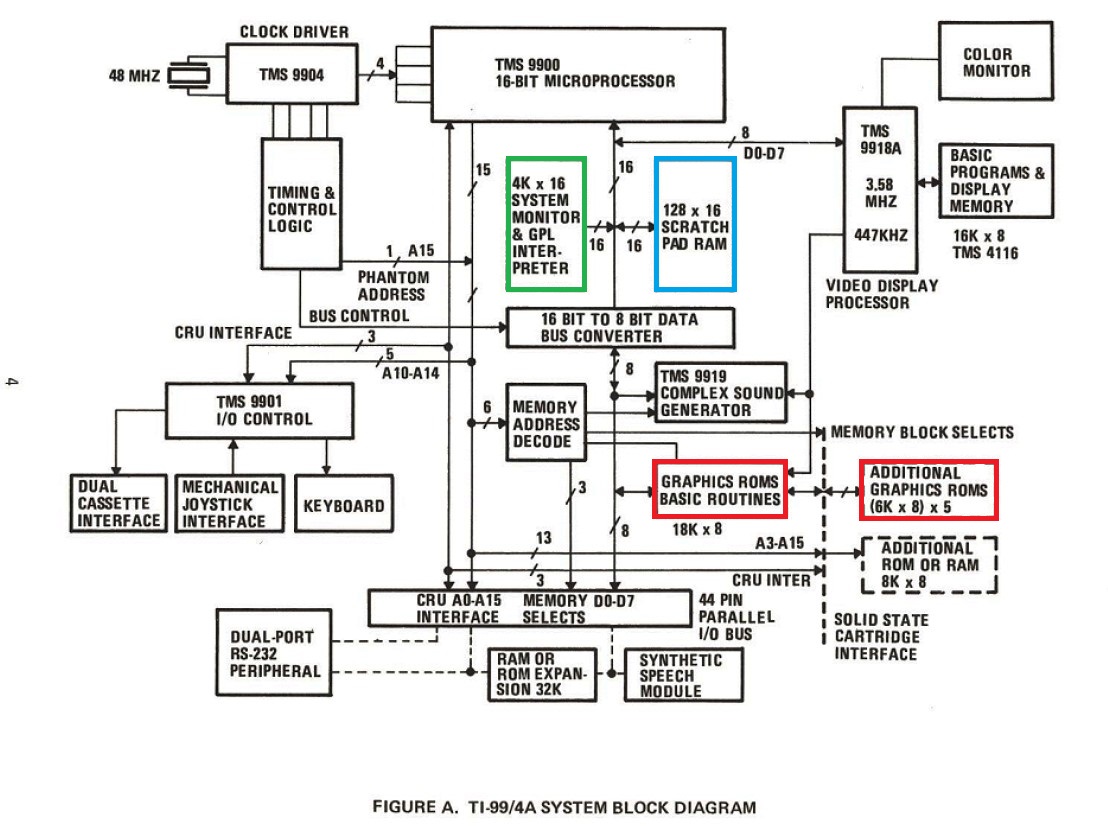
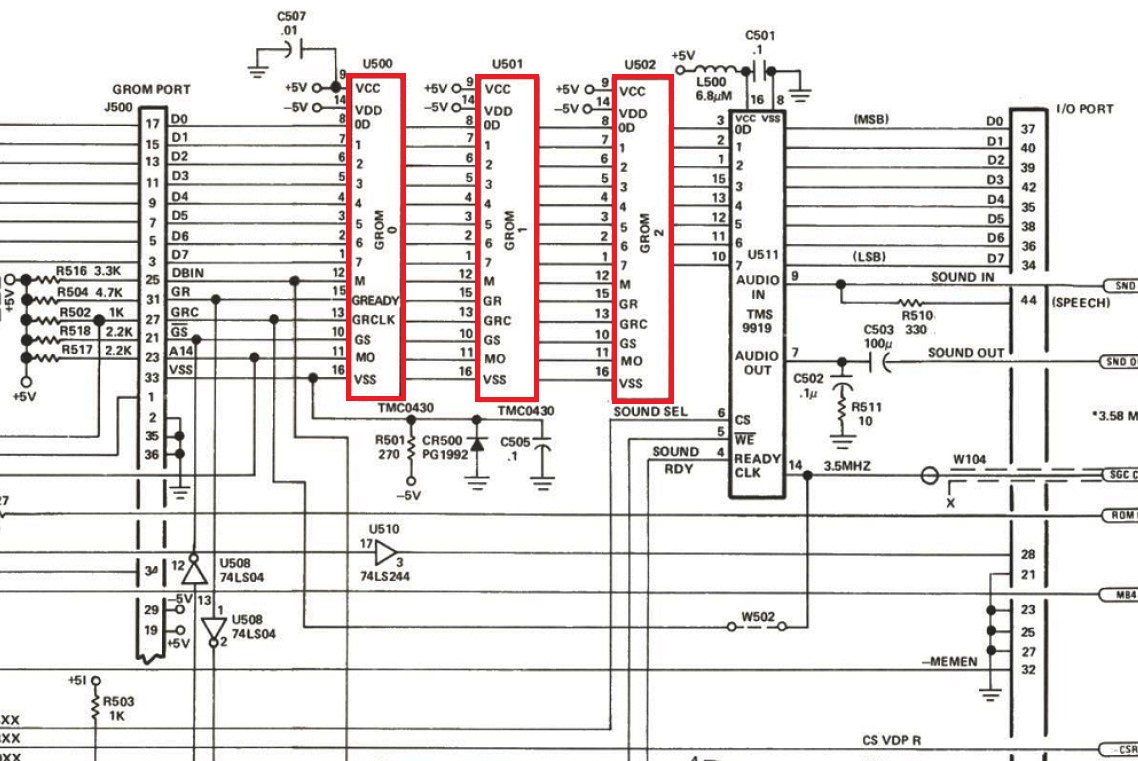
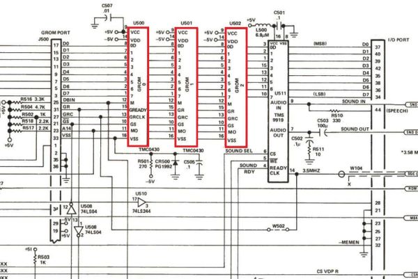
{TI-99/4a Cartridges} TI hat nicht nur die Struktur seines Homecomputers sinnfrei verkompliziert, sondern mit einem ganzheitlichen Ansatz auch gleich noch die Solid State Cartridges. Vermutlich aus dem Ansatz heraus, es externen Entwicklern und Raubkopierern so schwer wie möglich zu machen, hat man keine Möglichkeit der Inkompatibilität ausgelassen. Das Drama hat zwei Namen: GPL und GROM. GPL steht für "Graphic Programming Language" und GROM für "Graphic Read Only Memory". "Graphic" steht hierbei nicht für die Grafik, sondern für "anschaulich". Der Ansatz für GPL ist eigentlich nicht mal so dumm: hier handelt es sich um eine symbolische Programmiersprache, die zwar vom Betriebssystem interpretiert werden muss, die aber andererseits auch sehr nahe am Maschinencode des TMS9900 ist. Der Wunsch war sicherlich, dass Routinen in GPL mit wenig Anpassung auch auf anderen ähnlichen Rechnern lauffähig gewesen wären. Der Nachteil: diese Programme müssen erst einmal interpretiert werden, das benötigt Zeit. Der TI-99/4A hat seinen Basic-Interpreter in GPL geschrieben. Folglich muss der Rechner Programme zur Laufzeit interpretieren, mit einem Interpreter, der auch zur Laufzeit interpretiert wird. Klingt dumm, ist es auch. Damit dürfte die Frage, warum das TI-Basic so unglaublich langsam ist, ausreichend beantwortet sein... Aber das ist noch nicht das Ende der Geschichte. Die GPL-Programme stecken in den GROMs - das sind maskenprogrammierte Speicher, die alle parallel am Datenbus hängen können (max. 8 Stück), sie befinden sich in kleinen 16-poligen Gehäusen, weil sie keinen Adressbus nach außen führen. Die Adresse wird per Datenbus in den Speicher geschrieben und bei jedem Lesezugriff intern automatisch erhöht. Die Speicherkapazität eines Bausteins beträgt im allgemeinen 6kByte. Hier ist mal der systematische Aufbau eines GROMs gezeigt:

TI-99/4a Cartridges

Das Systembild des TI-99/4A: grün das Betriebssystem ROM (4kx16) mit GPL-Interpreter, blau die 128x16 RAM. Die roten Module sind die drei GROMs auf dem Motherboard (intern) und die maximal 5 möglichen GROMs auf der Programm-Cartridge (extern)

TI-99/4a Cartridges

Die drei GROMs auf dem Motherboard sind tatsächlich völlig parallel verschaltet. Der Adressbereich, bei dem sich ein einzelnes GROM angesprochen fühlt (und damit auch den Datenbus belegen kann), ergibt sich aus der Maskenprogrammierung. Die Spannungsversorgung der GROMs ist auch seltsam: +5V und -5V sind noch üblich - die -0,8V VSS an Pin 16 werden über die Diode CR500 aus den -5V bereit gestellt... das gibt es auch nur bei TI...

TI-99/4a Cartridges


{The Attack*} The Attack ist ein tolles Schießspiel mit erstaunlich guter Musik. Und es ist eine Cartridge, die ganz typisch auf GROMs ausgelegt ist.

TI-99/4a Cartridges

Die Cartridges sind mit einer Schraube verschraubt und ansonsten geclipst.

TI-99/4a Cartridges

Die Berührschutzklappe muss man vorsichtig behandeln, sie fliegt mitsamt der Feder gerne mal durch den Raum... Eine spannende Sache!

TI-99/4a Cartridges

Da ist außer einem GROM nicht viel drin. Der Widerstand begrenzt den Strom im -5V-Zweig, die beiden Glasgehäuse beinhalten Pufferkondensatoren.

TI-99/4a Cartridges

Auf der Unterseite sieht man genau: es ist völlig egal, wo das GROM steckt. Und die Platine ist für die Aufnahme der maximal möglichen externen GROM-Anzahl vorbereitet.

TI-99/4a Cartridges


{Schachmeister} Schachmeister ist eine Cartridge anderer Art - neben vier GROMs hängt da noch etwas anderes am Daten-/Adressbus - vielleicht ein konventionelles RAM / ROM? wer weiss das schon bei den TI-kundenspezifischen Bedruckungen...

TI-99/4a Cartridges

TI-99/4a Cartridges

TI-99/4a Cartridges


© 2013 - 2026 · W. Robel e-Mail senden