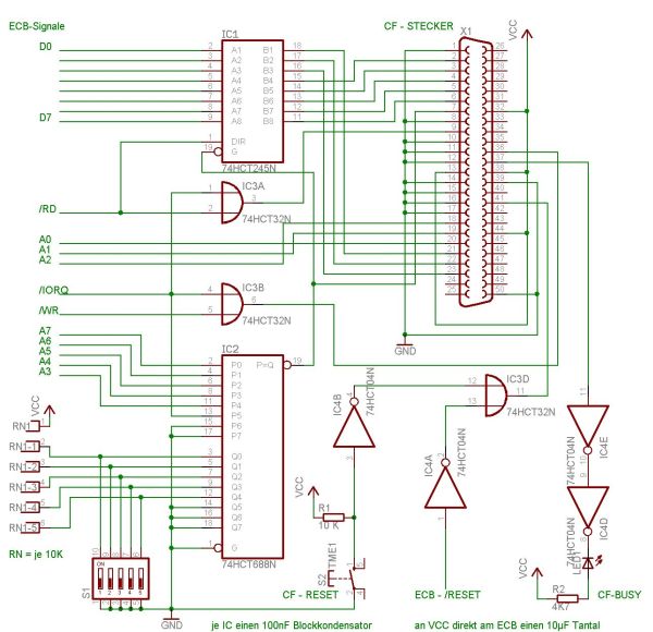
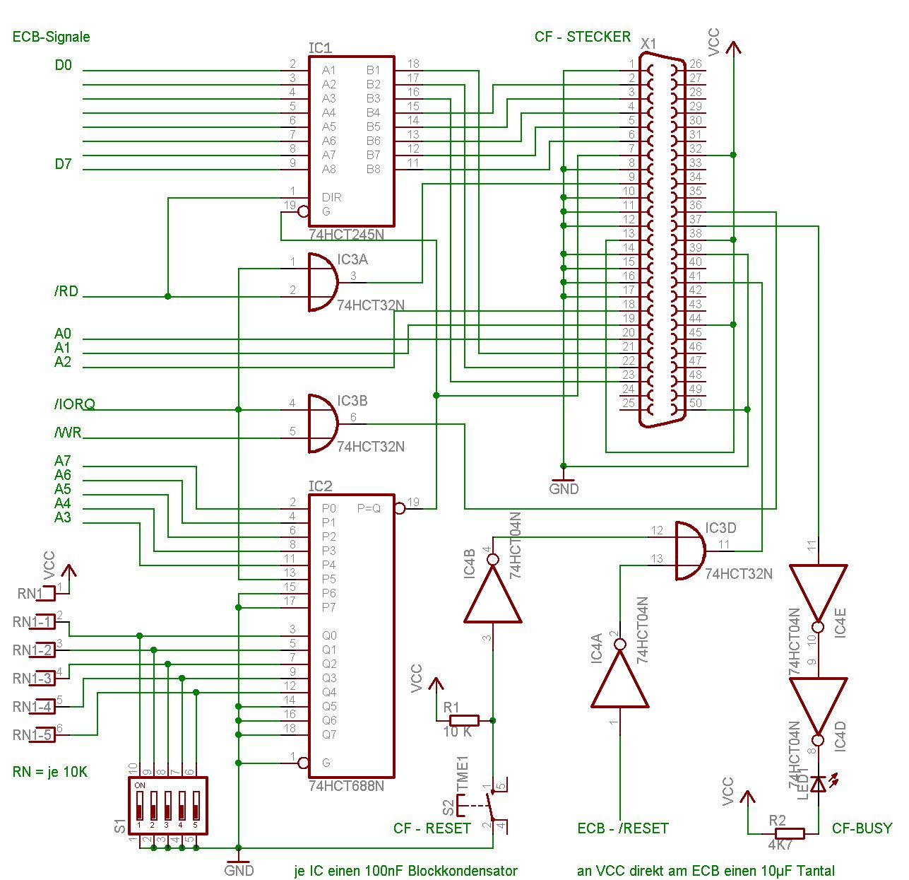
CF-PROF - das CF-Karten-Interface für den PROF-80 (und andere)
CF-Karten werden immer billiger. Was liegt also näher, als sie für unseren PROF (oder andere CP/M-Systeme) nutzbar zu machen? Da es sich bei dem hier beschriebenen Interface um eine Standard-Peripherie für den Z80 handelt, lässt es sich leicht auf verschiedene Systeme anpassen (ECB, NKC, ...). Auf einer Europakarte (Lochraster) ist genug Platz. Man braucht z.B. für die ECB-Variante folgenden Teile:
- CF-Karten-Stecker, z.B. aus DELOCK 91633 o.ä. ausgelötet
- Messerleiste 64-pol, gerade oder gewinkelt, Kontakte A und C nach DIN 41612 (ECB)
- 74HCT245 Datenbustreiber
- 74HCT244 Adressbustreiber (optional, nicht im Schaltbild!)
- 74HCT688 Adressdekodierung
- DIP-Schalter 5-fach oder Jumperfeld 5 x 2 zum Einstellen der I/O-Adresse
- 74HCT04 LED- und Reset-Treiber
- 74HCT32 Verknüpfung /RD und /WR mit /IORQ
- 6 x 10k pullup-Widerstände für Adressleitungen und Reset (z.B. als array)
- Low-current-LED mit Vorwiderstand 4k7 zur Busy-Anzeige
- eventuell 1 Taster für direkten Reset der CF-Karte
- IC-Fassungen: 2 x 14pol. und 2 x 20pol.
- CF-Karte geeigneter Größe
Die Adress- und Steuerleitungen müssen nicht gepuffert werden, solange sie nur CMOS-Eingänge treiben. Im folgenden Schaltbild sind noch ein paar Details zu korrigieren:
- Die ICs bekommen einzeln je einen keramischen Blockkondensator von 100nF.
- Ein Elko zum Puffern der Betriebsspannung auf der Karte ist auch nicht verkehrt (ca. 10uF, unkritisch).
- Nicht belegte TTL-Eingänge legt man am besten auf GND oder VCC (wie bei IC2 gezeigt),
als da noch wären die Pins 9 und 10 von IC3 und die Pins 5 und 13 von IC4.
- Nicht benutze TTL-Ausgänge kann man einfach offen lassen.
- Die Reset-Leitung liegt am Anschluss 31c des ECB-Busses, nicht an 26c.

Fotos:
| CF-PROF - Bestückungsseite: |
CF-PROF - Lötseite: |
|
|
Schaltpläne:
|