PROF-80 @ Home - PROF-80


PROF-80 - die PROzessor- und Floppykarte

Es handelt sich hierbei um einen CP/M 3 Rechner, der 1984 von der Firma Conitec entwickelt und vertrieben wurde. Der ganze Rechner ist auf einer Standard-Europakarte aufgebaut und durch seine Transparenz in jede Richtung erweiterbar. Man konnte ihn als geprüfte fertige Platine mit angepasstem CP/M 3, aber auch ganz individuell in einzelnen Teilen beziehen. Selbst wenn man auch nur einzelne Teile bezog, lieferte Conitec einen Service, der auch einen "Bastler" in die Lage versetzte, seinen Prof 80 in einen einwandfreien Betriebszustand zu versetzen.

Alle wichtigen Einheiten auf 100 x 160 mm:

  • Z80B CPU
  • 128 KByte RAM
  • Memory Management Unit
  • Echtzeituhr
  • Floppycontroller
  • zwei V24-Schnittstellen
  • ECB-Bus-Anschluss
  • Der Systemtakt liegt bei 6MHz (Z80B), kann aber auch bis auf 8MHz mit einer Z80H CPU erhöht werden. Es werden keine internen Waitzyklen verwendet! Die MMU liefert 20 Adressleitungen und ist damit in der Lage, bis zu 1 MByte Ram zu verwalten. Die Segmentgröße beträgt 4 KByte. Die Adressleitungen sind alle auf dem ECB-Bus-Anschluss verfügbar. Die Echtzeituhr ist akkugepuffert. Der Floppycontroller ist ein 765 mit zusätzlichem Datenseperator. Über zwei Anschlussleisten (50- und 34-polig) ist selbst gemischter Betrieb von bis zu vier Laufwerken der Größen 8", 5.25" und 3.5" möglich. Die Vollduplex V24 Schnittstelle für Terminal mit RTS und CTS Handshake und die Simplex V24 Schnittstelle mit CTS Handshake sind jeweils in den Baudraten per Jumper oder Software konfigurierbar. Der ECB-Bus ist in allen Daten-, Adress- und Steuersignalen gepuffert und voll Interrupt- und DMA-fähig.



    Fotos:
    PROF-80 - Bestückungsseite: PROF-80 - Lötseite:
    PROF-80
    PROF-80
    PROF-80
    PROF-80

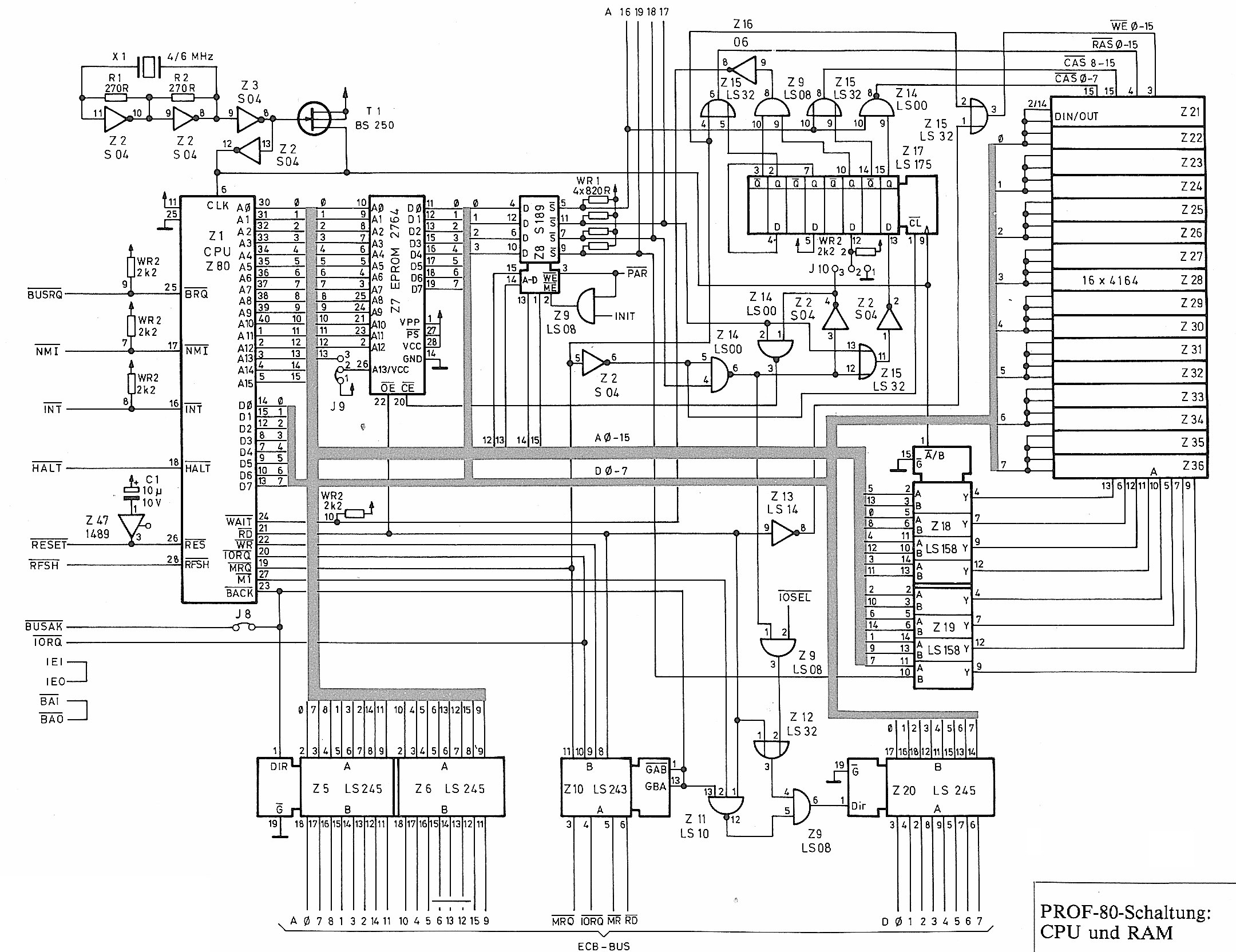
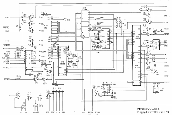
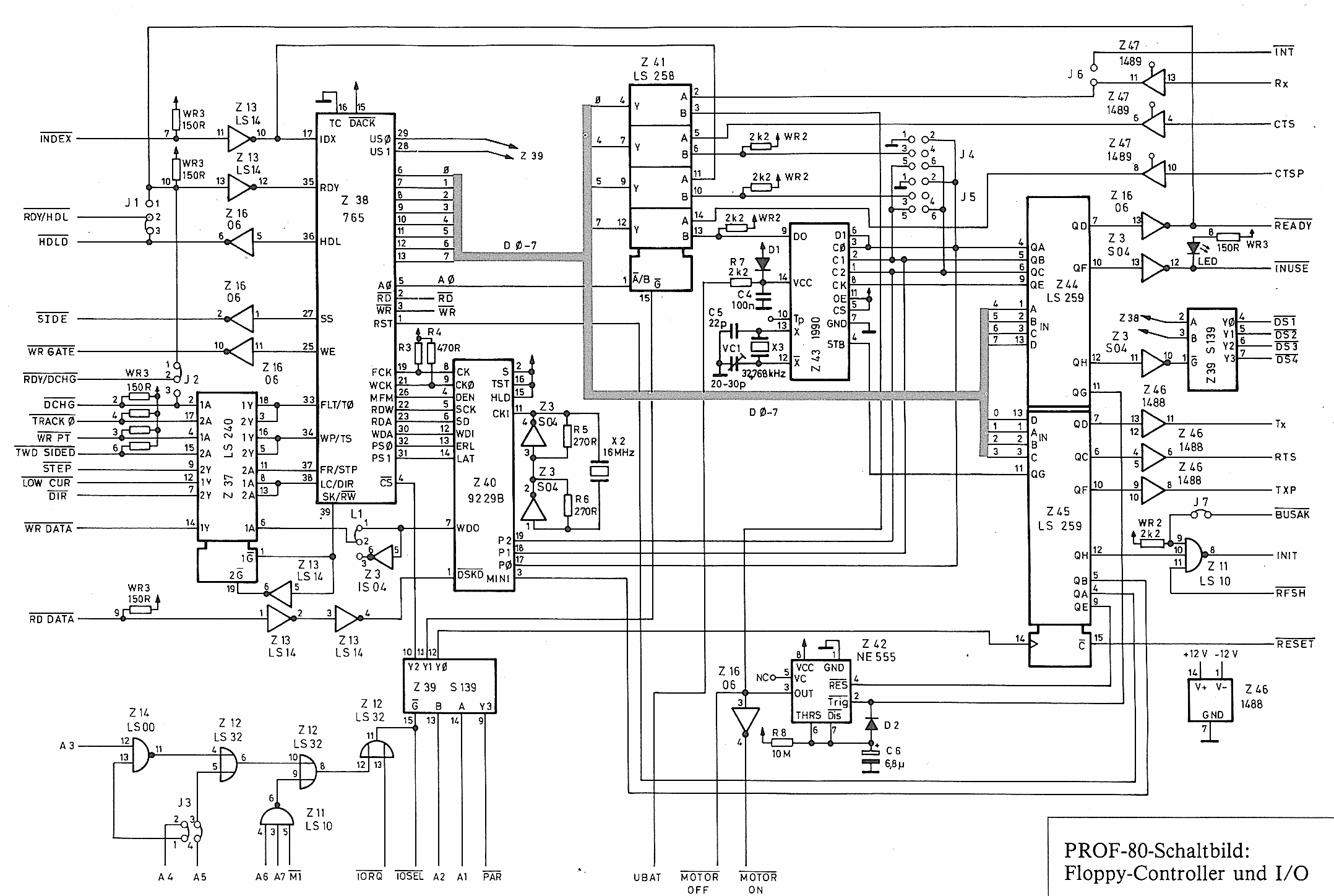
    Schaltpläne:
    PROF-80 - CPU, ROM und RAM: PROF-80 - Floppy und I/O:
    PROF-80
    PROF-80

    Bestückungsplan / Anleitung:
    PROF-80 - Bestückungsplan: PROF-80 - Handbuch (PDF, 1.903 kB):
    PROF-80
    PROF-80


    © 2026 · W. Robel, G. Chaudry, R. Rietscher & W. Kurtz e-Mail senden