PROF-80 @ Home - PROF-180X Karte


PROF-180X - die Hochleistungs-CPU-Karte

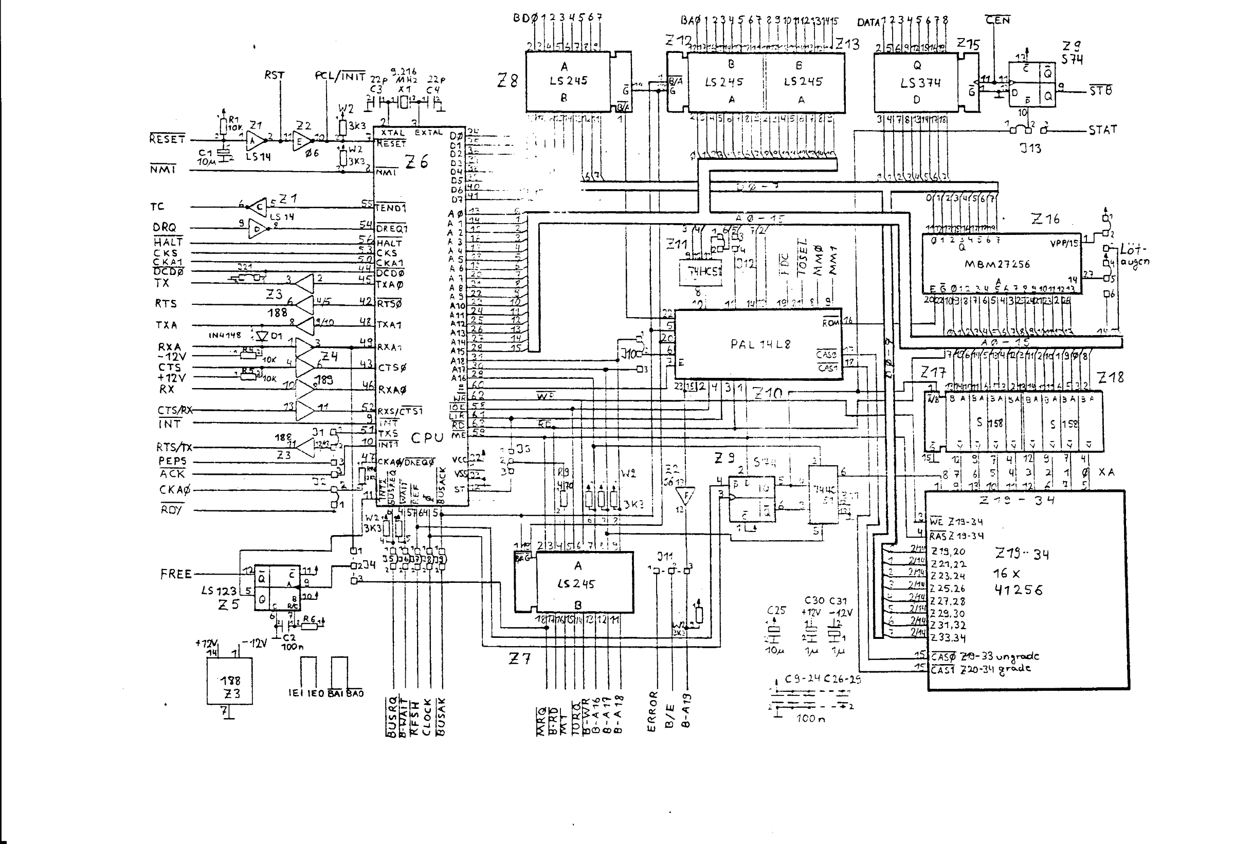
PROF-180X ist eine CPU-Karte, die ohne Kompromisse auf Hochgeschwindigkeit und Hochleistung 'getrimmt' wurde. Sie ist der zur Zeit (Januar 1986) schnellste in Serie gefertigte CP/M-plus-Einplatinenrechner, kann aber auch einfach als Steuerrechner oder Spooler eingesetzt werden. Auf der Karte sitzt eine neuentwickelte, Z80-kompatible CPU vom Typ HD64180, die durch einen erweiterten Befehlssatz (inkl. MULTIPLY) und schnelleres Timing ihrem Vorgänger überlegen ist.

Berichtigungen (original conitec) - Stand: 15.3.86 J. C. Lotter

  1. In der Stückliste in älteren Handbuch-Versionen sind irrtümlich folgende Bauteile nicht oder falsch angegeben:

    R25, 26: 2.2 kOhm C5: 270 pF
    R14, 15: 2.2 kOhm C32: 3.3 nF
    C33, 34: entfallen
    D5: 1N4148

  2. Im Bestückungsplan in älteren Handbüchern tauchen R14 und Z10 zweimal auf. Der R14 unter Z10 ist in Wirklichkeit R6 und Z10 ist Z41.
  3. Jumper J3 ist nicht vorverdrahtet. Zum Betrieb von Platinen mit Z8O-PIO oder -SIO (PROMMER-80, UNIO-1) ist er in Position 1-2 zu brücken.
  4. Am Minifloppy-Stecker N3, Pin 4, ist das Signal /HDLD nicht angeschlossen. Es wird empfohlen, dieses Signal auch nicht zu verwenden (s. Handbuch S. II.30), sondern stattdessen /MOTOR ON zu benutzen (Stecker N3, Pin 16). Bei Laufwerken ohne elektrischen Headload erübrigt sich das Problem sowieso.
  5. Ein PALASM-Listing des PAL-Bausteins 14L8 ist auf Wunsch (gegen eine Verzichtserklärung auf kommerzielle Nutzung) von CONITEC erhältlich.
PROF-180X - die Hochleistungs-CPU-Karte

Der Akku auf der PROF-180X-Karte kann den Uhrenbaustein MK3835 nur ca. 3 Tage mit Strom versorgen. Beim Einbau der Platine sollte deshalb ein zusätzlicher Akku an die UBAT-Leitung des ECB-Busses angeschlossen werden. Wird die Karte länger als 3 Tage aus dem Bus genommen, ist der Uhrenbaustein unbedingt aus dem Sockel zu ziehen.

Verwenden Sie zum Transport der Karte nur die Orginalverpackung mit der speziellen antistatischen Schutzfolie. Bei Verwendung anderer antistatischen Schutzfolien kann sich der Akku ebenfalls entladen.



Fotos (Dank an Fritz!):
PROF-180X - Bestückungsseite: PROF-180X - Lötseite:
PROF-80
PROF-80

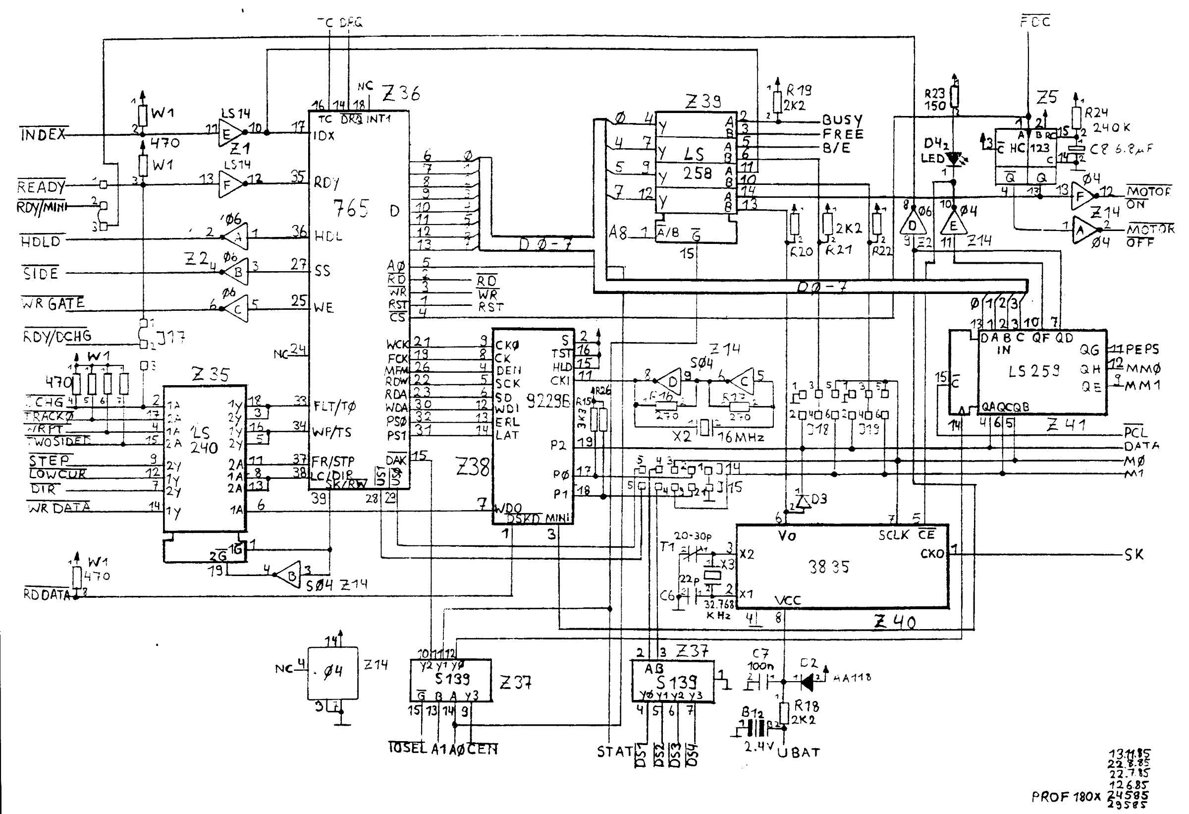
Schaltpläne:
PROF-180x - CPU, ROM und RAM: PROF-180x - Floppy Controller:
PROF-80
PROF-80


© 2026 · W. Robel, G. Chaudry, R. Rietscher & W. Kurtz e-Mail senden