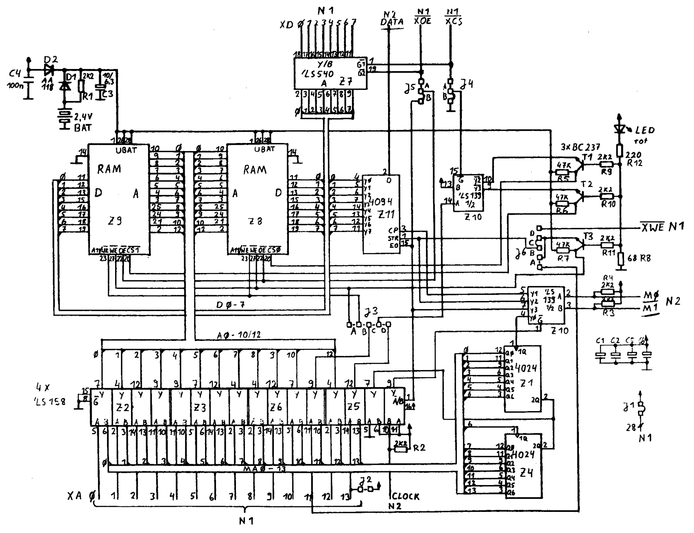
PEPS - der Programmierbare EPROM Simulator
PEPS wurde Anfang 1985 von der Firma Conitec entwickelt und vertrieben
Es ist ein Instrument zum Entwickeln von EPROM-Software ("Firmware")
für Microcomputer oder intelligente Steuerschaltungen (z.B. CEPAC-80).
Dabei übernimmt PEPS (Programmierbarer EPROM Simulator) die Funktion des
EPROMs und erlaubt so das schnelle Austesten und Ändern der Software. Mit
bis zu zwei SRAM-Bausteinen (6116 oder 6264) lassen sich EPROMs von 2 - 16 KByte
simulieren (2716, 2732, 2764, 27128). Programmiert (geladen) wird er über
eine fünfadrige Leitung, die an vier Ausgangs-Bits des Host-Rechners
angeschlossen wird (z.B. Centronics-Schnittstelle). Über eine
Flachbandleitung wird er mit dem EPROM-Sockel des Zielgerätes verbunden.
Die Stromversorgung erfolgt wahlweise von hier aus oder vom Host-Rechner.
Weitere Details stehen im Handbuch (peps.pdf, 821kB).
| Der Originalartikel zum Projekt: |
|
"Weiche" Firmware
Programmierbarer EPROM-Simulator
Hans Lotter in c't 5/85, S. 70 |
Hinweise
-
Wenn mit PEPS 2716- oder 2764-EPROMs simuliert werden sollen, entfällt die
Brücke D auf Jumper J3. Stattdessen ist Eingang 14 von Z10 mit einem
2.2-KOhm-Widerstand an +5V zu legen. Dieser Widerstand kann auch für andere
Simulationsmodi in der Schaltung belassen werden.
Bei einigen Layout-Versionen ist J3 defaultmäßig auf Position A mit
einer dünnen Leiterbahn vorverbunden. Diese Bahn ist für 2764- und
27128-Simulation aufzutrennen. (c't 9/85, S. 13)
-
Im Layout des programmierbaren EPROM-Simulators PEPS ist beiden
Transistoren Tl bis T3 jeweils der Kollektor mit dem Emitter vertauscht.
Dieser Fehler macht sich jedoch nur dann bemerkbar, wenn die Speicher
der Karte mit einer Batterie oder einem Akku gepuffert werden sollen.
(c't 11/85, S. 10)
-
Wenn der BC 237 für T1 bis T3 schwer zu beschaffen ist, kann man auch
den Ersatztyp BC 546 verwenden.
(eigene Ergänzung 15.1.2007, wk)
Verwandte Artikel
-
Apple mit PEP(S)
6502-Programm für den EPROM-Simulator
Holger Falkenberg, c't 7/85, S. 62
-
Schneider mit PEPS
EPROM-Simulator
Ulrich Winkler, c't 2/86, S. 95
-
Probieren mit Simulieren
ESS 31: EPROM-Simulator für beliebige Rechner
Martin Ernst, c't 7/88, S. 42
-
Pseudo-PROM
EPROM-Simulator ESIM für beliebige Systeme
(Anschluss an den Parallelport, EPROMs bis 27512)
Tilman Reh, c't 9/91, S. 198
-
EPROM-Simulator an der seriellen Schnittstelle
Carsten Meyer, c't 2/98, S. 212

Platine und Schaltplan:
| PEPS - Schaltplan: |
PEPS - Platinenfoto: |
|
|
|