Mike McBike @ Home / Arcade Reps Teil 8 / Asteroids


24.09.2025


{Asteroids im Doppelpack} Asteroids ist ein tolles Arcadespiel! Vektorgrafik, kaum Custom-Chips und sehr übersichtlich aufgebaut. Denkt man. Und wenn man dann zwei Platinen zur Reparatur bekommt, könnte man sich in der trügerischen Sicherheit wähnen, irgendwas zum Vergleichen zu haben. Die Wahrheit ist: ich kenne kaum ein Spiel, was sich so übel reparieren lässt, wie Asteroids. Missile Command vielleicht, oder Centipede. Ich erkenne ein Muster: Atari und alt - eine schlechte Mischung.

Asteroids

Platine 1:

Asteroids

Die RAMs hat schon mal wer getauscht...

Asteroids

Die auch. Dann liegt es vermutlich nicht an den RAMs, wenn hier gar nichts geht.

Asteroids

Platine 2:

Asteroids

Hier gibt es keine Sockel, aber dafür ein Kreuz auf dem RAM.

Asteroids

Die Bustreiber sind neu.

Asteroids

Die hier auch, hat aber wohl nicht geholfen...

Asteroids

Auch hier ist schon einiges gemacht worden - wer weiß, ob es danach besser oder schlechter geworden ist. Manchmal sind auch Reparaturen daran schuld, wenn nichts mehr geht.

Asteroids

Diese CPU taktet immerhin, aber recht eintönig.

Asteroids

Dazwischen legt sie sich mal schlafen, bis der WDT klingelt...

Asteroids

Der 157er war auffällig aber leider nicht die Ursache.

Asteroids

Ich habe endlich meinen Hilfstrafo gefunden. Die 2x18V benötigt man für die Vektorendstufen.

Asteroids

Rustikal aber praktisch!

Asteroids

Wir haben ein Bild - leider ohne sinnvollen Inhalt. Pieptöne gibt es auch nicht, eine Diagnose ist schwer zu geben.

Asteroids

Manchmal ändert sich das Bild auch - ich werde mal alle verbliebenen 2114 tauschen, es scheint, als ob der Programmablauf gestört ist.

Asteroids

Wenn beide Platinen nicht laufen, ist ein Vergleich schwierig. Ich bin gespannt!

28.09.2025


{Und es geht weiter!} Die Asteroids mit Funktion: immerhin funktioniert der NMI. Aber der ist auch Hardware-generiert. Ein geduldiger 4ms-Takt zum Bildaufbau.

Asteroids

Die Asteroids ohne Funktion: Upps. Mein Fehler. Aber mit einem neuen 2114 läuft es genausowenig...

Asteroids

Dafür meldet sich Kandidat 1 akustisch. Nachdem ich das Board mal komplett mit Lautsprecher verkabelt habe (immer eine gute Idee, die Asteroids sind akustisch mitteilungsfreudig, wenn sie mal anlaufen...) bekomme ich im Testmodus 4 höhere und einen tiefen Piepston. Das ist RAM N4. Das war übrigens auch der Baustein mit einem Kreuz drauf...

Asteroids

Das RAM ist schnell getauscht. Die Asteroids sind mit dem richtigen Werkzeug sehr gut auszulöten.

Asteroids

Das Programm startet ohne Fehler-Piep. Die RAMs scheinen in Ordnung zu sein. Wir haben ein statisches stabiles Bild. Im Testmodus kann man das Umlegen der DIP-Schalter jetzt optisch verfolgen.

Asteroids

Außerhalb des Testmodus geht es immer noch nicht gut. Der Watchdog schlägt zu und das ist das Unangenehme bei Asteroids. Jeder Fehler im Vektor-Generator führt zum Programmabbruch und damit zum Watchdog. Gut, dass man den einfach stillegen kann.

Asteroids

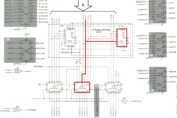
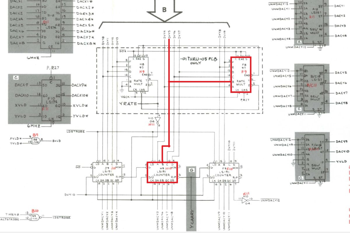
Jetzt bleibt erst mal Fehlersuche nach schlechten Pegeln. Nach einer Viertelstunde habe ich etwas gefunden. DVY5 sieht gar nicht gut aus!

Asteroids

Ein 74191 ist mit 10 Ohm eingangsseitig viel zu niederohmig. Viele Kiloohm wären hier zu erwarten gewesen.

Asteroids

Der Baustein ist getauscht, der Widerstand von DVY5 gegen Masse steigt auf 40 Ohm - "Not great, not terrible!". Da ist noch mehr defekt.

Asteroids

An der Leitung hängt einiges drann, ich werde alle Teilnehmer ansehen müssen.

Asteroids

Immerhin haben wir jetzt schon ein Bild, was fast nach Gameplay aussieht!

Asteroids

Der Pegel hat es ja auch schon fast geschafft...

Asteroids

Mich würde mal interessieren, woher dieser Schaden kommt, der diverse IC-Eingänge hat durchlegieren lassen... Kurzschluss? Überspannung? Jetzt muss ich erst mal 7497 bestellen, den habe ich nicht im Lager - braucht man so gut wie nie! Außer bei Asteroids...

08.10.2025


{Und es geht noch weiter!} Die Spezialbauteile sind da!

Asteroids

7497 ersetzt - die Pegel sehen gut aus! Plötzlich sieht auch das Vektorbild interessanter aus, auch wenn noch nichts richtig läuft...

Asteroids

Zumindest wird hier mal was berechnet und dargestellt:

Asteroids

Das Vector-Generator-ROM hat anormale Pegel auf den Datenleitungen.

Asteroids

Da stimmt was nicht:

Asteroids

Ich tausche den alten Bustreiber...

Asteroids

Hier hat man daran gedacht, zwei verschiedene Typen einsetzen zu können.

Asteroids

Ich wähle den modernen 74LS245.

Asteroids

Hat leider nicht geholfen. Das ROM funktioniert. Die 2114 ersetze ich jetzt alle.

Asteroids

Wow! Der Test-Screen läuft plötzlich einwandfrei. Aber hier werden auch keine Anforderungen an den Vector-Generator gestellt...

Asteroids

Präventiv tausche ich (erfolglos) den letzten Uralt-Bustreiber.

Asteroids

Auch gegen einen aktuellen Typen. Hilft nicht.

Asteroids

Aus den 16-Bit Register-RAMs kommt teilweise nichts raus. Ich tausche zwei Bausteine.

Asteroids

Während ich mich noch freue, stirbt einer der Bustreiber... Ich werde noch irre. War ja klar, Signetics SA.

Asteroids

Aber nachdem der auch ersetzt ist, erwartet mich ein überraschendes Vector-Bild.

Asteroids

Leider spinnt immer noch irgendwas im Vector-Generator-Teil - es gibt Artefakte und das Programm stürzt regelmäßig ab. Aber die Programmausführung läuft, der Vector-Generator zeichnet und der Testbildschirm meldet keine Fehler.

Asteroids

Ich bin gespannt, ob ich die Ursache noch finde, bevor wieder irgendein Baustein stirbt...

13.01.2026


{Und ich krieg sie doch!} Warum funktioniert der Vektorgenerator nicht richtig? Stimmt vielleicht doch was mit den Registern nicht? Die ursprünglich verbauten 74LS170 sind Open Collector Typen, daher auch die Pull-Ups. 74LS670 sind 3-State Typen. Ich entferne vorsichtshalber mal die Pull-Ups.

Asteroids

Sieht sauber aus, hat aber nichts genützt.

Asteroids

Vielleicht hat das Vector-ROM einen Schuss? 2716 ist ein 1:1-Ersatz. Keine Änderung im Verhalten.

Asteroids

Es sind keine Bausteine mehr übrig, die ein anormales Verhalten an den Ausgängen zeigen. Multiplexer haben allerdings manchmal die Eigenschaft, funktionsfähige Ausgänge, aber defekte interne Umschalter zu haben. Das sieht man mit dem Oszi nicht. Ein huckepack aufgesteckter Zweitbaustein zeigt dann allerdings Zwischenpegel, wenn die beiden Ausgänge mit widersprüchlichen Pegeln kämpfen. Das hat mich auf einen defekten 74LS157 gebracht.

Asteroids

Hab dich, du Mistkerl!

Asteroids

Platine 1 kann starten.

Asteroids

Jetzt zu Platine 2: die CPU macht ein wenig und verwickelt sich dann in den Watchdog. Alle Messungen weisen darauf hin, dass der Vektorgenerator überhaupt nicht läuft. Die Datenbustreiber sehen nicht gut aus. Ich tausche sie alle.

Asteroids

Meine neue Pace Lötstation macht mir die Arbeit leichter...

Asteroids

Der Tausch war dringend geboten...

Asteroids

Da nehme ich doch gleich die guten 54LS... die mit dem erweiterten Temperaturbereich.

Asteroids

Das Ergebnis ist ernüchternd. Die CPU macht den Selbsttest und springt dann in eine Endlosschleife, weil der Vektorgenerator nicht läuft. Hier hilft mir hoffentlich die genaue Analyse mit dem Logikanalysator.


© 2013 - 2026 · W. Robel e-Mail senden