Mike McBike @ Home / Einplatinenrechner / Eltec VIC-1


18.09.2025


{Eltec VIC-1} Grafikkarten 1979... eine Geschichte voller Auflösungslosigkeiten. In der Zeit, in der Eltec diese Grafikkarte für seinen Eurocom1 auf den Markt gebracht hatte, war man froh, mehr als ein paar Siebensegmentanzeigen zu haben. Das Anzeigegerät war ein Fernseher, die Anzeigeart war ein Textbildschirm, Grafik war noch nicht verfügbar. Mir lief eine Karte zu, der man die Jahre schon deutlich ansieht:

Eltec VIC-1

Der deutlich korrodierte TV-Modulator (Typ ZX-81) wurde zusätzlich mit einem Videoausgang bewaffnet...

Eltec VIC-1

Warum sauber einbauen, wenn man auch kleben kann?

Eltec VIC-1

Nach einer Reinigungsorgie mit diversen Lösemitteln erstrahlt die Karte wieder in altem Glanz. Passend dazu habe ich mal alle Abblockkondensatoren wieder bestückt, die entweder abgebrochen oder gar nicht eingelötet waren. Im Schaltplan werden diese Kondensatoren (obwohl die Lötaugen dafür vorhanden sind) nicht erwähnt.

Eltec VIC-1

Nicht alle Durchkontaktierungen haben überlebt, aber die Karte sieht ganz ordentlich aus...

Eltec VIC-1

Das Character-ROM CGR-001 liefert die Pixeldaten für die ASCII-Zeichen, der Grafikbaustein unter dem 1,000MHz Quarz ist ein CRT96364, er kümmert sich um die RAM-Adressierung, die Spaltenauswahl und das Timing.

Eltec VIC-1

Der HSYNC-Takt ist bekannt... ein astreines Fernseher-Signal. Schön, dass der 96364 einfach arbeitet, ohne vorher konfiguriert werden zu müssen.

Eltec VIC-1

Und wir haben ein stehendes Bild. Die Streifen gehen vermutlich erst weg, wenn der Controller den Befehl "Clear Screen" bekommt. Das macht er dann ganz automatisch.

Eltec VIC-1

360mA sind vermutlich weniger, als eine Hochleistungs-Grafikkarte heutzutage so braucht, aber wir hatten damals ja nur wenig Strom zur Verfügung... ;-)

Eltec VIC-1

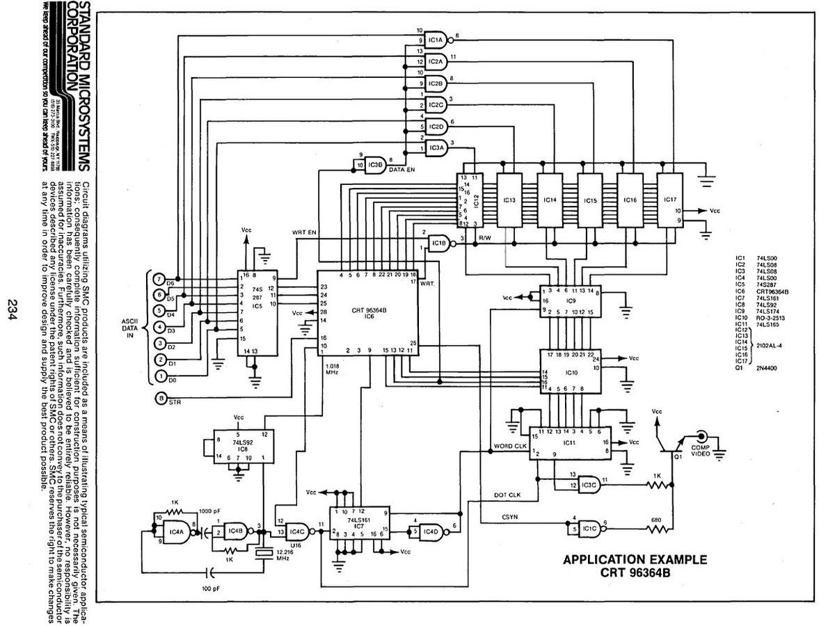
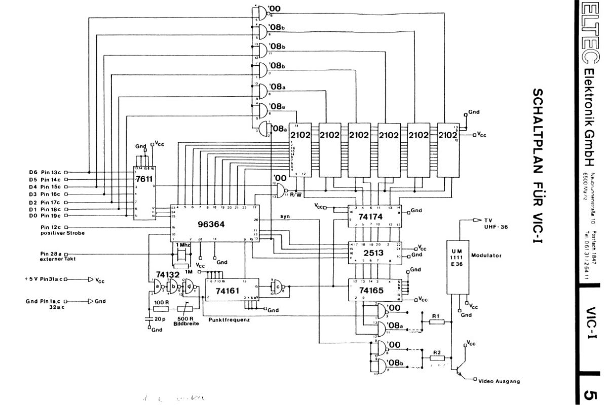
Eltec hat auch ein rudimentäres Schaltbild zur Karte geliefert und ich dachte schon, schöne Ingenieursleistung!

Eltec VIC-1

... bis mir das Applikationsbeispiel aus dem 96364 Datenblatt in die Hände fiel...

Eltec VIC-1

Eigentlich ein schöner einfacher Grafikcontroller mit geringfügiger Intelligenz - genau der Baustein, den man damals in einem Terminal brauchte.

Eltec VIC-1

To Do: Programmieren!

01.10.2025


{Gut gesteuert durch ein PROM} Unauffällig auf der Platine versteckt befindet sich noch ein bipolares Prom 256x4 bit.

Eltec VIC-1

Harris M3-7611-5 (82S129) bietet 256 4-Bit-Worte. Die werden dafür verwendet, um je nach ASCII Code am Eingang die entsprechenden Command Codes für den CRT Controller zu erzeugen und gegebenenfalls das RAM-Write-Signal zu triggern.

Eltec VIC-1

Da interessiert mich doch jetzt mal, was im PROM drinsteht - je nach Grafikkarten gibt es verschiedene Versionen.

Eltec VIC-1

Einen Sockel und einen Auslesevorgang später bin ich schlauer: die ersten 32 ASCII-Charakter sind Steuerzeichen, von denen nur wenige Beachtung finden. Bis 0x7E werden dann alle Zeichen dargestellt und im Video RAM gespeichert. 0x7F ist [DEL] und wird auch wieder ignoriert. 0x80 bis 0xFF wird nie angesprochen, da das höchstwertige Adressbit auf festem Potential liegt...

Eltec VIC-1

Somit ist funktional alles erklärt. Jetzt muss ich nur einen Kleinrechner wählen, der mir ein Bild zaubert!


Hier noch das Handbuch von Eltec und der Inhalt des Decoder-PROMs (M3-7611-5 / 82S129) als Binärdatei:

VIC-1 Dokumentation
PDF video_interface_vic1_vic2.pdf
Das VIC-1 Handbuch von Eltec
BIN vic1_7611.bin
Binärdaten des Decoder-PROMs (82S129)


© 2013 - 2026 · W. Robel e-Mail senden