Mike McBike @ Home / Vectrex / Vectrex 2


{Fehlerbeschreibung} Winziges Bild bei maximaler Helligkeitseinstellung. Ton funktioniert, Spiel laüft (hörbar). Startet erst nach einigen Sekunden.

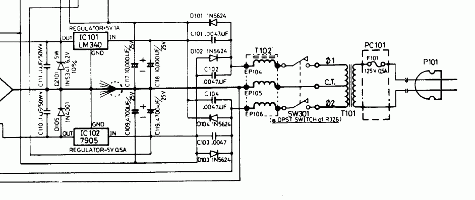
{Fehlersuche} Spannungsüberprüfung des Netzteils zeigt: Versorgung ist nur einphasig vorhanden.

Bild 1

{Diagnose} Das Netzteil war's, besser der popelige Drehschalter.
Der Einschalter schaltet den Trafoausgang mit zwei Schaltern auf die Platine (jeweils 2x 10V AC). Davon funktioniert ein Schalter nicht mehr. Es wird nur noch die 10V eingeschaltet, die die Bildröhre und die 5V-Logikversorgung bedienen, die 10V, die dann für die Ablenkspannungen zuständig sind, fehlen.
Die Mittelanzapfung des Trafos liegt dauernd an, ebenso der Primärkreis, der bei der Vectrex immer auf 230V liegt, auch wenn der Schalter aus ist. So konnten die Hersteller sich einen Schalter für 230V sparen...

Bild 2

Bild 3

{Entlassung} Mistding, der Schalter... Auseinanderbauen und Reinigen 5 Minuten... Wieder zusammenbauen: 60 Minuten bei gefährlich hohem Blutdruck...
Der Schalter besteht aus einem metallenem Mitnehmer mit Feder und einem kleinen Kunststoffplättchen, welches die Kontakte bedient. Das Einfädeln dieser Komponenten zurück in das Schaltergehäuse ist grauenvoll. Zuletzt hat es nur kopfüber funktioniert, also das Schaltergehäuse sozusagen von oben auf die Einzelteile setzen, damit diese nicht auseinanderfallen können. Trickreich und Zeitraubend...


© 2013 - 2025 · W. Robel e-Mail senden