Mike McBike @ Home / Elektronik / Zählröhre E1T


24.01.2026


{Dekadische Zählröhre E1T} Die "magischen Augen" befanden sich noch in vielen Rundfunkempfängern und LEDs waren noch nicht als Anzeigeelemente geeignet. Da experimentierte man mit vielerlei Anzeigetechnologien: Edge-Lit-Displays, Projektionsdisplays, Glühlampen. Dem magischen Auge am nächsten kommen aber diese dekadischen Zählröhren: E1T. Dominik K. hat mir freundlicherweise einige tolle Exponate zukommen lassen.

Zählröhre E1T

Sieht cool aus und könnte mal etwas Staubwischen vertragen...

Zählröhre E1T

Der Blick auf die Front lässt die Anzeigefunktion erahnen. Nicht die Zahlen leuchten im Betrieb, sondern ein Balken auf dem Phosphorschirm dazwischen.

Zählröhre E1T

Vielerlei Elektronik verbirgt sich im Gehäuse.

Zählröhre E1T

Die E1T ist schon eine Besonderheit - davon später mehr.

Zählröhre E1T

Die E90CC ist eine putzige Doppel-Triode mit gemeinsamer Kathode extra für den Einsatz in Rechen- und Zählgeräten.

Zählröhre E1T

Quizfrage: welches Modul hatte schon meine Aufmerksamkeit?

Zählröhre E1T

Die drei Module stammen übrigens höchstwahrscheinlich aus einem historischen Geigerzähler...

Zählröhre E1T

Röhrentechnik hat schon was... zumindest optisch.

Zählröhre E1T

Die aufgedruckten Zahlen stehen nicht für Jahreszahlen - die Röhre stammt vermutlich von 1960.

Zählröhre E1T

In einem ersten Aufbau schließe ich nur mal die 6,3V Heizspannung an:

Zählröhre E1T

Die E1T hat eine Glühkathode, die über die gesamte Länge sichtbar ist:

Zählröhre E1T

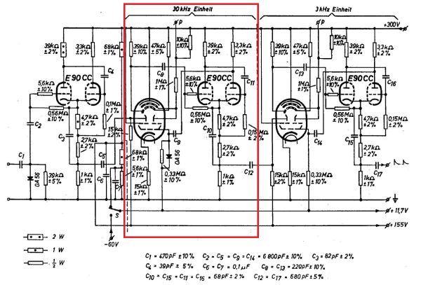
Zur Funktion: ein Elektronenstrahl fällt durch eine Schlitzblende auf einen Phosphorschirm und leuchtet dort wie bei einer Bildröhre. Die Schlitze sind unterschiedlich breit, somit fallen je nach Stellung des Elektronenstrahls unterschiedlich viele Elektronen auf die mit einer Ablenkplatte verbundene Schlitzblende. Durch diese geschickte Kopplung entstehen Potentialminima, die die Ablenkung des Elektronenstrahls konstant halten. Erst ein externer Spannungsimpuls auf die Ablenkplatte schubst den Strahl auf die nächste Stellung, wo er wieder verharrt. Der Zählimpuls muss eine steile Anstiegs- und eine flache Abfallflanke besitzen, sonst funktioniert das nicht. Für die Pulsformung ist die zweite Röhre E90CC zuständig!

Zählröhre E1T

Die E1T bietet auch eine Elektrode für den Überlauf, damit wird dann das nächste Modul getriggert. So lassen sich ganz einfach mehrere dekadische Zähler kaskadieren.

Zählröhre E1T

Ein Wunderwerk der Technik! Jetzt suche ich mal nach einem 300V-Netzteil...


© 2013 - 2026 · W. Robel e-Mail senden